產品名稱:
美制ORFS外螺紋/公制外螺紋 90°彎接頭
產品系列搜索
請選擇您想要尋找的相關產品系列
產品描述

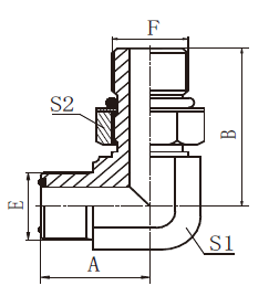
| 訂貨號 | 螺紋 | O形圈 | 尺寸 | |||||||||
| E | F | E端 | F端 | A | B | S1 | S2 | |||||
| AF7-04-12/9 | 9/16"X18 | M12X1.5 | O011 | O09.3X2.4 | 23 | 32 | 14 | 17 | ||||
| AF7-06-14/9 | 11/16"X16 | M14X1.5 | O012 | O11.3X2.4 | 27 | 35.5 | 19 | 19 | ||||
| AF7-06-16/9 | 11/16"X16 | M16X1.5 | O012 | O13.3X2.4 | 27 | 38 | 19 | 22 | ||||
| AF7-08-16/9 | 13/16"X16 | M16X1.5 | O014 | O13.3X2.4 | 31 | 40.5 | 22 | 22 | ||||
| AF7-08-18/9 | 13/16"X16 | M18X1.5 | O014 | O15.3X2.4 | 31 | 43 | 22 | 24 | ||||
| AF7-08-22/9 | 13/16"X16 | M22X1.5 | O014 | O19.3X2.4 | 31 | 44.5 | 22 | 27 | ||||
| AF7-10-22/9 | 1"X14 | M22X1.5 | O016 | O19.3X2.4 | 36.5 | 48 | 27 | 27 | ||||